mik, если генератор без дополнтельного диодного полумоста, то + и Д под один зажим.
С выключенным светам и габаритами, стоя на D к примеру на светофоре обороты падают и начинает подтряхивать машину, габариты включаю все проходит и обороты выравниваются. Кто подскажет на что грешить?
По симптомам просадка Холостых Оборотов ниже нормы
Грязный клапан Холостого Хода(если есть) или Дроссельная Заслонка
Промой ПО ТЕХНОЛОГИИ и будет ЩАСТЕ...
А так включаешь потребители - включается компенсатор нагрузки, который поднимает ХХ
И на будущее - пишите что за авто, какой год выпуска и какой двигатель, а то гадать и тем более отвечать на такие вопросы ВААЩЕ НЕОХОТА...
Цитата
стоя на D к примеру на светофоре обороты падают и начинает подтряхивать машин
такая же хрень на исте 03 г. 1nz . на "D" на тормозе обороты падают, "N" включаешь выравниваются. промывал ДЗ, менял клапан ХХ на новый, получше стало, но все равно явление присутствует. и на холодную когда заводишь, прогревочные обороты минут через 5 подхватывает, а так сначала 600-700.. а то и меньше
на клему возбуждения генератьра должно подаватся всегда + 12в или тока при старте ?
Да промах вышел. Двиг 2 az fe тойота вангуард 2008г
rusinchic
25.3.2015, 0:13
mik, у меня на тойотовском постоянно, через "придурок".
Может кому пригодится. В архиве чистка канала ХХ дроссельной заслонки 1NZ-fe (ВИДЕО)
Обучение дроссельной заслонки на автомобилях Toyota.
Данную процедуру необходимо осуществлять после каждого отключения дроссельной заслонки.
Необходимые условия перед началом процедуры.
1. Двигатель прогрет до рабочей температуры.
2. Все элетронные приборы (печка, световые приборы, магнитолла и т.д.) выключены.
3. Автомобиль установлен на ровной площадке.
4. Рычаг КПП установлен в положение «нейтраль»
Описание процедуры обучения.
1. Снять клемму аккумулятора на 5 минут.
2. Одеть клемму аккумулятора.
3. Включить зажигание (должны загореться индикаторы на приборной панели), но не заводить автомобиль.
4. Ожидать примерно 30 секунд.
5. Не выключая зажигание, снять клемму аккумулятора на 5 минут.
6. Одеть клемму аккумулятора и завести автомобиль.
7. Ничего не меняя, ожидать примерно 15 минут. Пошагово обороты будут падать до нормальных.
И не вздумайте крутить датчик положения дроссельной заслонки!
GOLLANDEC
25.3.2015, 2:37
hronik, и что, действительно помогает?
ну, всё так как на видео делали, пару-тройку дней с утра прогревочные обороты были, потом - как раньше написал, завелась и сброс оборотов, поработает 5-10 мин -- и подхватывает. а на горячую - всё как надо.
Я всетоки еще раз спрошу, на уазиках на возбуждение гнны всегда 12в идет ? Просто если на него всегда 12в послать он жудко греетсяно работает нормально, а вот если тока при заводке подать то не греется, но напряжение не стабильное, пляшнт от оборотов, реле регулятора напряжения новое поставил думал в нем причина, а серавно пляшет
mik, наверное надо бы глянуть электросхему... от какого конкретно УАЗика (или двигателя) этот генератор?
Торонага
25.3.2015, 11:57
mik, какое РР стояло искони и какой генератор стоит сейчас?
Сейчас стоит уазовский 80а, стояло родное рр, поставил новое 3х позиционное. На отечественных тазах как возбуждение идет ? Тока при старте?
Торонага
25.3.2015, 14:05
mik, если не подавать возбуждение, то генератор ничего не сгенерирует
канеш оно идет всегда, причем идет именно с реле-регулятора.
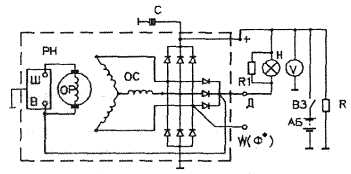
Миш, вот обычная схема связки РР-гена-аккум
Нажмите для просмотра прикрепленного файлаа вот она же, но с трехпозиционным РР и соответствующим генератором:
Нажмите для просмотра прикрепленного файла
Торонага, mik имеет в виду - подаётся ли "+" постоянно с батареи или только при включении зажигания. К примеру, у меня в Ниссане он подаётся постоянно. Насчёт УАЗа не скажу, ибо генератор неизвестно откуда и мне лично лень копать сейчас в Инете все возможные схемы на все УАЗики. Как было у меня на Москвиче - не помню, там РР был интегральный в щёточном узле, по-моему постоянно подавалось. У Москвичей с релейным РР плюс на РР подавался при включении зажигания.
Торонага
25.3.2015, 14:33
Гидр, добавил схемы, может так будет понятнее
надо ли разжевывать обозначения?
Цитата(ZND @ 25.3.2015, 9:42)

ну, всё так как на видео делали, пару-тройку дней с утра прогревочные обороты были, потом - как раньше написал, завелась и сброс оборотов, поработает 5-10 мин -- и подхватывает. а на горячую - всё как надо.
Тогда подозрение на обмотку соленоида управления ХХ, это такая штука, которая и поворачивает шток канала ХХ. (цена - от 5000р)
Надо проверять её на сопротивление при холодном состоянии и на горячую.
В мануале должна быть описана процедура проверки. Или инет в помощь.
Цитата
Тогда подозрение на обмотку соленоида управления ХХ, это такая штука, которая и поворачивает шток канала ХХ. (цена - от 5000р)
так уже новый (10 т.р.) клапан ХХ поставил, ничё не поменялось. а в соленоидах не соображаю, прошлой весной ездил в одно место на диагностику, посмотрели на компе, или как он там называется - сканер, 2,5 т.р. взяли, потом еще за 4 т.р. ДЗ промыли, на два дня хватило. осенью в другое место съездил, еще продиагностировали, не помню за сколько. сказали новый клапан ХХ надо. купил новый -еще 1,5 т.р. за установку. через неделю - все как прежде.
и вся эта хрень - зимой, летом нормально - завел прогревочные до 2000, потом падают, и норм.
Цитата(ZND @ 25.3.2015, 13:30)

посмотрели на компе, или как он там называется - сканер, 2,5 т.р. взяли
потом еще за 4 т.р. ДЗ промыли
купил новый -еще 1,5 т.р. за установку.
Какая красота!
На ХХ если резко газ нажать - обороты резво набирает, или вяло?
Цитата
Какая красота!
ну... ты еще десятку не посчитал за клапан
Цитата
На ХХ если резко газ нажать - обороты резво набирает, или вяло?
резво... пока двигатель теплый вообще все нормально
Остается проверить датчики температуры
На впуске воздуха и двигателя
И маф тогда уж...
Чо то жестко тебя развели на бабло
И это безо всяких гарантий... пздц
Цитата
Остается проверить датчики температуры На впуске воздуха и двигателя И маф тогда уж...
я в этом не шарю... так, открутить-прикрутить что-нибудь, еще куда ни шло..
Я как буду в гараже - напишу тебе, подъедешь, глянем
на выходных скорее всего
кинь номер в личку
Прямо не покидает мысль о каком-нибудь злом конденсате... который за 5 минут работы двигателя тает... Я бы проверил, что там с сапуна летит... Был случай с таким двигателем, что МАФ жутко засрался масляно-пыльной гадостью, правда там были симптомы другие (почему я и спросил о том, как обороты набирает), но я про себя отметил, что МАФ даже в сторонке от сапуна может нормально так засраться.
Да и вообще, вот сняли старый клапан ХХ - и что там внутри-то было???
Что это за 2,5 тысячи за диагностику, там коды можно считать перемкнув 2 контакта в диагностическом разъёме

, а расшифровку кодов и вообще литературу по этим движкам найти несложно. Пипец если честно. Диагностику сделали - хоть распечатку дали? Коды были какие-то? Или по кодам всё нормально?
Цитата
Да и вообще, вот сняли старый клапан ХХ - и что там внутри-то было???
Что это за 2,5 тысячи за диагностику, там коды можно считать перемкнув 2 контакта в диагностическом разъёме angry.gif, а расшифровку кодов и вообще литературу по этим движкам найти несложно. Пипец если честно. Диагностику сделали - хоть распечатку дали? Коды были какие-то? Или по кодам всё нормально?
в старом клапане болталось что-то, типа подшипник разбитый был. ну как бы и обороты иной раз плавали. причем спец пояснил, что когда первый раз промывали ДЗ, смазку из подшипника клапана вымыли и он как бы крякнул. ну и саму заслонку он промыл, грязь там то-сё. но сама хрень из-за которой я к нему обратился (прогревочные) прошла после замены КХХ буквально на несколько дней, а потом -опять.. распечатку не давали, по кодам, типа, все нормально.. а ценник, может и не 2,5 а просто 2 т.р. я уже и не помню.
GOLLANDEC
25.3.2015, 21:46
Цитата(hronik @ 25.3.2015, 0:08)

Может кому пригодится. В архиве чистка канала ХХ дроссельной заслонки 1NZ-fe (ВИДЕО)
вторая часть скачивается, но архив пустой...
так как? пробовали - помогает способ или это так, как фары протереть?
Цитата
так как? пробовали - помогает способ или это так, как фары протереть?
если про клеммы и зажигание, то я провел эту процедуру... завтра с утра увижу результат. у меня все косяки - "на холодную"
GOLLANDEC
25.3.2015, 22:08
ZND, ага, ну результат надо ждать пару дней, а у тебя скорей всего датчик темпера движки на мой взгляд, скажем так, что темпер движка больше показывает чем на самом деле, скорее всего плохой контакт, я б в этом направлении копнул вначале
GOLLANDEC, так чо видео получается не посмотрел?
Битый архив?
Я вроде проверял - всё ок было
если надо - я в DC расшарю
не то что бы битый, а одно и тоже 1 и 2 часть. ну, у меня так скачалось. названия разные , а содержание одно.
Видеоролик весит 37мб
здесь ограничение на закачку в 32мб
вот я и разбил ролик на две части
при распаковке соединяются в один файл
у меня так. а у вас?
GOLLANDEC
25.3.2015, 23:01
hronik, расшарь плиз, , ник и хаб скажи
у меня - 37,7 мб одним файлом
Расшарил в твоём хабе
ник hron
папка ВИДЕО С ИНЕТА
там много других роликов
ПРОБАВАЙ ДАВАЙ...
ВВПетрович
31.3.2015, 20:17
Вопрос к спецам:
Снимал на Паджеро-2 подушку. Скинул клеммы, снял. Была необходимость включить зажигание, не на долго. Подушка поставлена на место, но лампа SRS теперь горит.
Эта ошибка снимается?
rusinchic
31.3.2015, 22:30
ВВПетрович, а в мануале что по этому поводу написано?
я на стэпе обнулил ошибку по мануалу.
ВВПетрович
1.4.2015, 8:09
В мануале написано "замените блок"
ВВПетрович, должно быть написано про обнуление ошибки.
обязано сбрасываться, сканером уж точно
Incognito
2.4.2015, 20:38
При включении ксенона в противотуманках сгорает предохраниетель.. Есть подозрение, что всё подсоединено на один предохранитель.. Что можно сделать, или к электрику обращаться?
Incognito, номинал какой?
MagON, предохранитель большой четырёхштекерный, вроде на 15 ампер..
Ну хотя да, если возник вопрос че делать, то лучше тогда к электрику, дешевле выйдет
GOLLANDEC
5.4.2015, 11:08
Цитата(ZND @ 25.3.2015, 20:02)

если про клеммы и зажигание, то я провел эту процедуру... завтра с утра увижу результат. у меня все косяки - "на холодную"
помогло - не прокатило?
Цитата
помогло -
нет. и фары тряпочкой протирал, и по колесу пинал, ничего не помогает.
rusinchic
5.4.2015, 13:03
пепельница чистая?
GOLLANDEC
5.4.2015, 16:53
ZND, смотри все таки с датчика темпера движки, не тот который на стрелку, а второй. темпера ОЖ, все таки там контактик у тебя окислился в фишке или отвалился почти.., что за машина?
Цитата
что за машина?
тойота-ист, движка 1nz-fe
GOLLANDEC
5.4.2015, 17:05
ZND, а.. понятно.., погорячился я.., думал подскажу где оный датчик искать.., ан нет.. вот те
мануал..
Для просмотра полной версии этой страницы, пожалуйста,
пройдите по ссылке.