Полная версия этой страницы:
Электрика, стартер.
Суть проблемы: Пропал ток на стартер, очень похоже на КЗ где-то в линии.
Предыстория: Было ооочень холодно, машина простояла 3-е суток, акома замёрз и подсел, запитались от работающего авто и попытались завести, стартер не сработал и пощёл дымок (район стартера, скорее всего клемма испачканная маслом накалилась из-за плохого контакта или замыкания).
На данный момент: Стартер снял, проверил у электрика, работает как часы. Жгут проводов вместе с центральным плюсовым, идущим на стратер, прозвонили, провода живые. Акома заряжен как надо. При повороте ключа слышен щелчок пускового реле.
Проблема: Провод (который идёт на стартер и подаёт "плюс" для срабатывания втягивающего после поворота ключа) всё время даёт "плюс", вместо положенного режима ожидания. А при повороте ключа вообще становится "минусом". Короче говоря - когда "контролька" подсоединена к этому проводу и массе в состоянии выключенного зажигания, лампочка должна быть погасшей, а при повороте ключа загораться. А у меня всё наоборот.
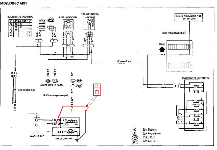
Я сам с электрикой на уровне догадок общаюсь, а схемы вообще читаю плохо. Вот схема работы моего стартера. Хэлп!
Погоди на стартер на сколько я помню идет 2 плюса!! Один постоянный а второй пусковой..... может постоянный не идет?
я так понял со релюхи идет + это пусковой? а постоянный есть?
на схеме 2 плюса идет на стартер.... один пусковой как я и предпологал а второй потсоянный.....вопщем надо залесть под машину и померить тестэром чо куда и откуда....
Как раз постоянный есть. А вот пусковой вместо того чтобы идти только после поворота ключа идёт постоянно. А когда ключ в положении старт, то пусковой, падла, тухнет.
посмотри реле. походу оно.. еще вариант что где-то провод отсоединился=) ну или нет контакта.
как бы не в тему но когда мы забыли подсоеденить землю на катушки. вместо того чтоб ток подавался на 1 катушку или не шел воовсе
он шел на все=)
Цитата(ertyui @ 16.3.2009, 19:15)

Как раз постоянный есть. А вот пусковой вместо того чтобы идти только после поворота ключа идёт постоянно. А когда ключ в положении старт, то пусковой, падла, тухнет.
это означает что стартер должен крутить на постой без поворота ключа...ты толи чтото не договариваеь толи не понимаешь...
стартеру идёт 2 провода! 1 из них (толстый) на нем должнобыть постоянно + не в зависимо где ключ хоть его воопще нету..... второй проводок (тонкий) идет с замка (образно) когда поворачиваешь ключ на этот тонки провод должно пойти 12В.... но так как ты говоришь на нем постоянно 12В значит и стартер должен крутить постоянно!
Дело в том что на етом проводке при выклёченном зажигании висит минус, при включенном плюс. Как только этот проводок соеденяется со стартером питание проподает, вытаскиваем его из стартера питание опять появляется.
конэчно нагрузко то пошло:)))
dissector
16.3.2009, 20:12
вот тут
Понятно что пошло :-) вопрос в то м куда? По поводу контактов! Все они были перепаяны, обжаты. Там всё нормуль.
Цитата(Ramzes @ 16.3.2009, 19:50)

на етом проводке при выклёченном зажигании висит минус, при включенном плюс.
мля ещё раз повторяю если туда подается + значт стартер в это время должен крутить.....
Цитата(Drager @ 16.3.2009, 19:14)

мля ещё раз повторяю если туда подается + значт стартер в это время должен крутить.....
Всё правильно говоришь. Просто когда перестал заводиться я скинул стартер и проверял схему на снятом, но общий смысл тот же. Если поставлю стартер, то он всё время будет крутить, как ты и говоришь.
dissector, этот болт на фото у меня на стартере шатается, думаешь это показатель хренового контакта и может быть из-за этого?
Ещё варианты? Один фиг в гараже на весь день, может кучу вариантов проверю, что-нибудь и сработает.
dissector
16.3.2009, 20:34
похоже на то , что втягивающее под напругой (залипло), а на стартер плохой контакт.
Цитата(dissector @ 16.3.2009, 20:34)

похоже на то , что втягивающее под напругой (залипло), а на стартер плохой контакт.
да да да......ты прав.....
ertyui, как стартер проверял?
dissector
16.3.2009, 22:06
да дай Бог!
Цитата(dissector @ 16.3.2009, 22:06)

да дай Бог!
просто когда я собирал первый раз стартер не на своей маине (меня щетки) собрал поставил...подключаю акум а он крутит!!! я епть то воопще не крутил то теперь не заткнешь:))) Втягивающую когда ставил не попал.....
Цитата
ertyui, как стартер проверял?
Отвёз электрику возле джапанпартс, он проверил на стенде.
Я больше чем уверен, что если я стартер поставлю на место и подам плюс напрямую минуя все реле, то он заработает как надо. Меня провод смущает, который вдруг полярность поменял... Может какое-то реле замкнуло. Знать бы ещё какое и как проверять.
воопщем так тебе не кто не поможет смотреть надо....
ммм проверь силовые контакты на коробке с придурками, там должен быть придурок не менее чем на сотню ампер, а контакты прикручиваются болтами. Может что подкислилось или там х.з..
И встать на данные контакты вольтметром и попроверять что будет при повороте ключа и т.п., делать надо вдвоем, ну чтоб один ключ крутил, а второй на вольтметр смотрел и заодно под капот, а то всякое бывает...
Нажмите для просмотра прикрепленного файла
причём тут контакты? если у него контакт хороший - стартер крутит.....просто не тогда когда надо....
Цитата(Drager @ 16.3.2009, 22:40)

воопщем так тебе не кто не поможет смотреть надо....
Вот чё тут секосом заниматься? Без машины и её осмотра никто точный диагноз не поставит. А так типа поумничать...
За это время уже можно было и релюшку обнаружить и поменять.
Да согласен я, секас это всё. Просто я слаб в электрике, самому в голову ничего умного не приходит, думал может народ что подскажет, а я всё попробую авось получится.
ДЮЙМ, а ты сегодня после обеда сильно занят? У меня машина в 100 метрах от тебя стоит, может заглянешь если будет минутка свободная?
Реле и стартер точно живые, проверил. Жгут с центральным плюсовым тоже живой. Остаётся только замок зажигания и жгут проводов от предохранителей до капота. Там вообще так всё запутанно, что без хорошего электрика не разобраться. Буду сдаваться мастеру за кровные рубли.
Пока нет. Просто договорился с автоэлектриком, сегодня вечером он приедет в гараж, я закрою дверь и не выпущу его до тех пор пока не починит

, а то вою уже без машины. Как починит отпишусь.
Фух, только из гаража. Мастер долго что-то проверял, но в итоге починил. Ура! Что он сделал я не понял, так как в элеткрике дуб дубом, а он не сказал ссылаясь на профессиональную тайну. Да мне и пофиг, главное что работает.
Спасибо всем кто откликнулся.
Тему можно закрывать.
Ура! Поломка и вправду была серьёзной
STUURMANN
25.4.2009, 23:01
Что может быть,поменял статор-загорелся чек?
провода на датчики смотри, или сними, одень клеми с АКБ
Вообще-то этот проводок с клемой от втягивающего реле. Если он соскочил, то стартер работать и не должен. Одень на место - на втягивающем реле справа если стоять лицом к капоту есть ответный контакт. Его плохо спереди видно - он за выступом ближе к салону
Для просмотра полной версии этой страницы, пожалуйста,
пройдите по ссылке.