Хостинг и техническая поддержка -- компания Маглан
автоклуб M49

Здравствуйте, гость ( Вход | Регистрация )

Электрика, стартер., Кто шарит в электрике, хэлп.
ertyui
сообщение 16.3.2009, 18:01
Сообщение #1


Группа: Активный участник
Сообщений: 724
Спасибо: 274

Авто: Terrano / VG30E



Суть проблемы: Пропал ток на стартер, очень похоже на КЗ где-то в линии.

Предыстория: Было ооочень холодно, машина простояла 3-е суток, акома замёрз и подсел, запитались от работающего авто и попытались завести, стартер не сработал и пощёл дымок (район стартера, скорее всего клемма испачканная маслом накалилась из-за плохого контакта или замыкания).

На данный момент: Стартер снял, проверил у электрика, работает как часы. Жгут проводов вместе с центральным плюсовым, идущим на стратер, прозвонили, провода живые. Акома заряжен как надо. При повороте ключа слышен щелчок пускового реле.

Проблема: Провод (который идёт на стартер и подаёт "плюс" для срабатывания втягивающего после поворота ключа) всё время даёт "плюс", вместо положенного режима ожидания. А при повороте ключа вообще становится "минусом". Короче говоря - когда "контролька" подсоединена к этому проводу и массе в состоянии выключенного зажигания, лампочка должна быть погасшей, а при повороте ключа загораться. А у меня всё наоборот.

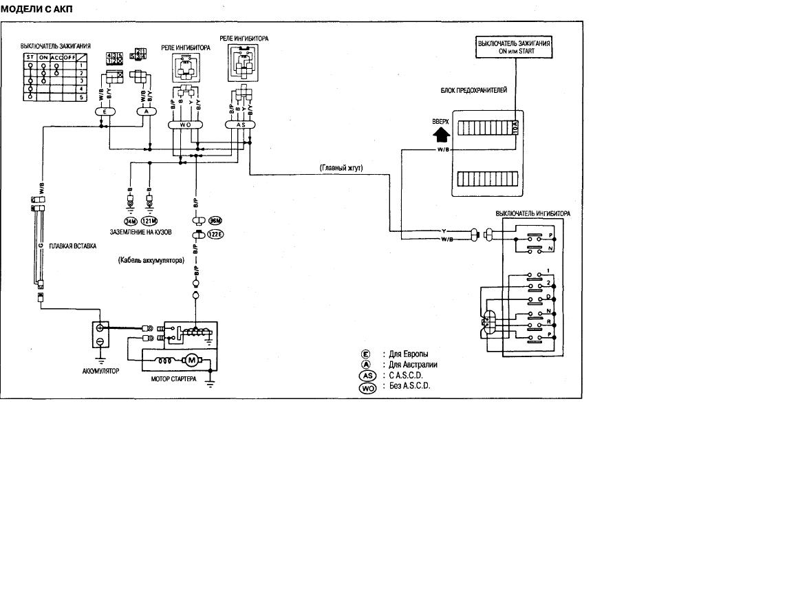
Я сам с электрикой на уровне догадок общаюсь, а схемы вообще читаю плохо. Вот схема работы моего стартера. Хэлп!
Эскизы прикрепленных изображений
Прикрепленное изображение
 


--------------------
"Всё фигня, кроме пчёл"... А если разобраться, то и пчёлы тоже фигня.
Перейти в начало страницы
 
+
2 страниц V   1 2 >  
Начать новую тему
Ответов (1 - 24)
Drager
сообщение 16.3.2009, 18:15
Сообщение #2


Группа: Активный участник
Сообщений: 2548
Спасибо: 161




Погоди на стартер на сколько я помню идет 2 плюса!! Один постоянный а второй пусковой..... может постоянный не идет?

я так понял со релюхи идет + это пусковой? а постоянный есть?


на схеме 2 плюса идет на стартер.... один пусковой как я и предпологал а второй потсоянный.....вопщем надо залесть под машину и померить тестэром чо куда и откуда....

Сообщение отредактировал Drager - 16.3.2009, 18:17


--------------------
tourer V в jzx100 - Chaser
Уряяя - Предупреждения - 100%
Цитата(megavolt @ 15.8.2009, 21:57) *
ты уже написал о трех грубых нарушениях ПДД. .
- про меня :D
+79246909191 Антон.
http://gt-club.maglan.net/
Перейти в начало страницы
 
+
ertyui
сообщение 16.3.2009, 19:15
Сообщение #3


Группа: Активный участник
Сообщений: 724
Спасибо: 274

Авто: Terrano / VG30E



Как раз постоянный есть. А вот пусковой вместо того чтобы идти только после поворота ключа идёт постоянно. А когда ключ в положении старт, то пусковой, падла, тухнет.


--------------------
"Всё фигня, кроме пчёл"... А если разобраться, то и пчёлы тоже фигня.
Перейти в начало страницы
 
+
N300ZX
сообщение 16.3.2009, 19:20
Сообщение #4


Группа: Активный участник
Сообщений: 2640
Спасибо: 481




посмотри реле. походу оно.. еще вариант что где-то провод отсоединился=) ну или нет контакта.

как бы не в тему но когда мы забыли подсоеденить землю на катушки. вместо того чтоб ток подавался на 1 катушку или не шел воовсе



он шел на все=)



--------------------
Перейти в начало страницы
 
+
Drager
сообщение 16.3.2009, 19:44
Сообщение #5


Группа: Активный участник
Сообщений: 2548
Спасибо: 161




Цитата(ertyui @ 16.3.2009, 19:15) *
Как раз постоянный есть. А вот пусковой вместо того чтобы идти только после поворота ключа идёт постоянно. А когда ключ в положении старт, то пусковой, падла, тухнет.


это означает что стартер должен крутить на постой без поворота ключа...ты толи чтото не договариваеь толи не понимаешь...


стартеру идёт 2 провода! 1 из них (толстый) на нем должнобыть постоянно + не в зависимо где ключ хоть его воопще нету..... второй проводок (тонкий) идет с замка (образно) когда поворачиваешь ключ на этот тонки провод должно пойти 12В.... но так как ты говоришь на нем постоянно 12В значит и стартер должен крутить постоянно!


--------------------
tourer V в jzx100 - Chaser
Уряяя - Предупреждения - 100%
Цитата(megavolt @ 15.8.2009, 21:57) *
ты уже написал о трех грубых нарушениях ПДД. .
- про меня :D
+79246909191 Антон.
http://gt-club.maglan.net/
Перейти в начало страницы
 
+
Ramzes
сообщение 16.3.2009, 19:50
Сообщение #6


Группа: Активный участник
Сообщений: 1002
Спасибо: 88

Авто: Subaru Forester T/Tb und Lexus LX 470



Дело в том что на етом проводке при выклёченном зажигании висит минус, при включенном плюс. Как только этот проводок соеденяется со стартером питание проподает, вытаскиваем его из стартера питание опять появляется.


--------------------
Subaru! Управляй мечтой Тойотовцев.
Перейти в начало страницы
 
+
Drager
сообщение 16.3.2009, 20:00
Сообщение #7


Группа: Активный участник
Сообщений: 2548
Спасибо: 161




конэчно нагрузко то пошло:)))


--------------------
tourer V в jzx100 - Chaser
Уряяя - Предупреждения - 100%
Цитата(megavolt @ 15.8.2009, 21:57) *
ты уже написал о трех грубых нарушениях ПДД. .
- про меня :D
+79246909191 Антон.
http://gt-club.maglan.net/
Перейти в начало страницы
 
+
dissector
сообщение 16.3.2009, 20:12
Сообщение #8


Группа: Активный участник
Сообщений: 34720
Спасибо: 20415




вот тут


Эскизы прикрепленных изображений
Прикрепленное изображение
 


--------------------
наружная реклама, световые буквы, подсветка зданий
р.м. Линия, с 1992 года наша работа
тел. 89148V83356

мир не такой как кажется, старший сержант? (с)
Перейти в начало страницы
 
+
Ramzes
сообщение 16.3.2009, 20:12
Сообщение #9


Группа: Активный участник
Сообщений: 1002
Спасибо: 88

Авто: Subaru Forester T/Tb und Lexus LX 470



Понятно что пошло :-) вопрос в то м куда? По поводу контактов! Все они были перепаяны, обжаты. Там всё нормуль.

Сообщение отредактировал Ramzes - 16.3.2009, 20:13


--------------------
Subaru! Управляй мечтой Тойотовцев.
Перейти в начало страницы
 
+
Drager
сообщение 16.3.2009, 20:14
Сообщение #10


Группа: Активный участник
Сообщений: 2548
Спасибо: 161




Цитата(Ramzes @ 16.3.2009, 19:50) *
на етом проводке при выклёченном зажигании висит минус, при включенном плюс.



мля ещё раз повторяю если туда подается + значт стартер в это время должен крутить.....

Сообщение отредактировал Drager - 16.3.2009, 20:15


--------------------
tourer V в jzx100 - Chaser
Уряяя - Предупреждения - 100%
Цитата(megavolt @ 15.8.2009, 21:57) *
ты уже написал о трех грубых нарушениях ПДД. .
- про меня :D
+79246909191 Антон.
http://gt-club.maglan.net/
Перейти в начало страницы
 
+
ertyui
сообщение 16.3.2009, 20:25
Сообщение #11


Группа: Активный участник
Сообщений: 724
Спасибо: 274

Авто: Terrano / VG30E



Цитата(Drager @ 16.3.2009, 19:14) *
мля ещё раз повторяю если туда подается + значт стартер в это время должен крутить.....


Всё правильно говоришь. Просто когда перестал заводиться я скинул стартер и проверял схему на снятом, но общий смысл тот же. Если поставлю стартер, то он всё время будет крутить, как ты и говоришь.

dissector, этот болт на фото у меня на стартере шатается, думаешь это показатель хренового контакта и может быть из-за этого?

Ещё варианты? Один фиг в гараже на весь день, может кучу вариантов проверю, что-нибудь и сработает.


--------------------
"Всё фигня, кроме пчёл"... А если разобраться, то и пчёлы тоже фигня.
Перейти в начало страницы
 
+
dissector
сообщение 16.3.2009, 20:34
Сообщение #12


Группа: Активный участник
Сообщений: 34720
Спасибо: 20415




похоже на то , что втягивающее под напругой (залипло), а на стартер плохой контакт.




--------------------
наружная реклама, световые буквы, подсветка зданий
р.м. Линия, с 1992 года наша работа
тел. 89148V83356

мир не такой как кажется, старший сержант? (с)
Перейти в начало страницы
 
+
Drager
сообщение 16.3.2009, 20:49
Сообщение #13


Группа: Активный участник
Сообщений: 2548
Спасибо: 161




Цитата(dissector @ 16.3.2009, 20:34) *
похоже на то , что втягивающее под напругой (залипло), а на стартер плохой контакт.


да да да......ты прав.....

ertyui, как стартер проверял?


--------------------
tourer V в jzx100 - Chaser
Уряяя - Предупреждения - 100%
Цитата(megavolt @ 15.8.2009, 21:57) *
ты уже написал о трех грубых нарушениях ПДД. .
- про меня :D
+79246909191 Антон.
http://gt-club.maglan.net/
Перейти в начало страницы
 
+
dissector
сообщение 16.3.2009, 22:06
Сообщение #14


Группа: Активный участник
Сообщений: 34720
Спасибо: 20415




да дай Бог!


--------------------
наружная реклама, световые буквы, подсветка зданий
р.м. Линия, с 1992 года наша работа
тел. 89148V83356

мир не такой как кажется, старший сержант? (с)
Перейти в начало страницы
 
+
Drager
сообщение 16.3.2009, 22:55
Сообщение #15


Группа: Активный участник
Сообщений: 2548
Спасибо: 161




Цитата(dissector @ 16.3.2009, 22:06) *
да дай Бог!


просто когда я собирал первый раз стартер не на своей маине (меня щетки) собрал поставил...подключаю акум а он крутит!!! я епть то воопще не крутил то теперь не заткнешь:))) Втягивающую когда ставил не попал.....


--------------------
tourer V в jzx100 - Chaser
Уряяя - Предупреждения - 100%
Цитата(megavolt @ 15.8.2009, 21:57) *
ты уже написал о трех грубых нарушениях ПДД. .
- про меня :D
+79246909191 Антон.
http://gt-club.maglan.net/
Перейти в начало страницы
 
+
ertyui
сообщение 16.3.2009, 23:23
Сообщение #16


Группа: Активный участник
Сообщений: 724
Спасибо: 274

Авто: Terrano / VG30E



Цитата
ertyui, как стартер проверял?


Отвёз электрику возле джапанпартс, он проверил на стенде.
Я больше чем уверен, что если я стартер поставлю на место и подам плюс напрямую минуя все реле, то он заработает как надо. Меня провод смущает, который вдруг полярность поменял... Может какое-то реле замкнуло. Знать бы ещё какое и как проверять.


--------------------
"Всё фигня, кроме пчёл"... А если разобраться, то и пчёлы тоже фигня.
Перейти в начало страницы
 
+
Drager
сообщение 16.3.2009, 23:40
Сообщение #17


Группа: Активный участник
Сообщений: 2548
Спасибо: 161




воопщем так тебе не кто не поможет смотреть надо....


--------------------
tourer V в jzx100 - Chaser
Уряяя - Предупреждения - 100%
Цитата(megavolt @ 15.8.2009, 21:57) *
ты уже написал о трех грубых нарушениях ПДД. .
- про меня :D
+79246909191 Антон.
http://gt-club.maglan.net/
Спасибо! — ДЮЙМ
Перейти в начало страницы
 
+
Maledict
сообщение 17.3.2009, 0:18
Сообщение #18


Группа: Активный участник
Сообщений: 6915
Спасибо: 2152

Авто: Acura TSX 2004



ммм проверь силовые контакты на коробке с придурками, там должен быть придурок не менее чем на сотню ампер, а контакты прикручиваются болтами. Может что подкислилось или там х.з..

И встать на данные контакты вольтметром и попроверять что будет при повороте ключа и т.п., делать надо вдвоем, ну чтоб один ключ крутил, а второй на вольтметр смотрел и заодно под капот, а то всякое бывает...
Прикрепленное изображение


--------------------
[Team Мирный Танк] [Guardians Of The Blind Team]
--- MorgueLand
* Origin: Love is a delusion that differs one woman from another (2:5047/33)

Upgrades:

Injen Cold Air Intake with Hydro Shield
MaximWorks Header 4-2-1
Unorthodox Racing Ultra SS Underdrive Polished Pulley Set
Hondata Heatshied Gasket
Hondata K-Pro ECU dual harness
Blitz NUR Spec Dual Catback
IPF Rally Tromba Horns
Goodyear Gatorback Poly-V belt
Hawk HPS Brake Pads
Russell Stainless Steel Brake lines
ATE Super Blue Racing Brake Fluid
Drilled And Slotted Rotors - front
Ground kit

High Beam Lights PIAA H1 4700K
Low Beam Lights HID 6000K

USASpec Aux/IPhone adapter

Redline Tuning Hood Struts
Спасибо! — ertyui
Перейти в начало страницы
 
+
ertyui
сообщение 17.3.2009, 2:42
Сообщение #19


Группа: Активный участник
Сообщений: 724
Спасибо: 274

Авто: Terrano / VG30E



UP



--------------------
"Всё фигня, кроме пчёл"... А если разобраться, то и пчёлы тоже фигня.
Перейти в начало страницы
 
+
Drager
сообщение 17.3.2009, 10:05
Сообщение #20


Группа: Активный участник
Сообщений: 2548
Спасибо: 161




причём тут контакты? если у него контакт хороший - стартер крутит.....просто не тогда когда надо....


--------------------
tourer V в jzx100 - Chaser
Уряяя - Предупреждения - 100%
Цитата(megavolt @ 15.8.2009, 21:57) *
ты уже написал о трех грубых нарушениях ПДД. .
- про меня :D
+79246909191 Антон.
http://gt-club.maglan.net/
Перейти в начало страницы
 
+
ДЮЙМ
сообщение 17.3.2009, 10:40
Сообщение #21


Группа: Активный участник
Сообщений: 8156
Спасибо: 4668




Цитата(Drager @ 16.3.2009, 22:40) *
воопщем так тебе не кто не поможет смотреть надо....

Вот чё тут секосом заниматься? Без машины и её осмотра никто точный диагноз не поставит. А так типа поумничать...
За это время уже можно было и релюшку обнаружить и поменять.


--------------------
Перейти в начало страницы
 
+
ertyui
сообщение 17.3.2009, 11:45
Сообщение #22


Группа: Активный участник
Сообщений: 724
Спасибо: 274

Авто: Terrano / VG30E



Да согласен я, секас это всё. Просто я слаб в электрике, самому в голову ничего умного не приходит, думал может народ что подскажет, а я всё попробую авось получится.
ДЮЙМ, а ты сегодня после обеда сильно занят? У меня машина в 100 метрах от тебя стоит, может заглянешь если будет минутка свободная?


--------------------
"Всё фигня, кроме пчёл"... А если разобраться, то и пчёлы тоже фигня.
Перейти в начало страницы
 
+
ertyui
сообщение 17.3.2009, 20:43
Сообщение #23


Группа: Активный участник
Сообщений: 724
Спасибо: 274

Авто: Terrano / VG30E



Реле и стартер точно живые, проверил. Жгут с центральным плюсовым тоже живой. Остаётся только замок зажигания и жгут проводов от предохранителей до капота. Там вообще так всё запутанно, что без хорошего электрика не разобраться. Буду сдаваться мастеру за кровные рубли.

Сообщение отредактировал ertyui - 18.3.2009, 12:39


--------------------
"Всё фигня, кроме пчёл"... А если разобраться, то и пчёлы тоже фигня.
Перейти в начало страницы
 
+
Drager
сообщение 17.3.2009, 22:40
Сообщение #24


Группа: Активный участник
Сообщений: 2548
Спасибо: 161




сделал? что было то?


--------------------
tourer V в jzx100 - Chaser
Уряяя - Предупреждения - 100%
Цитата(megavolt @ 15.8.2009, 21:57) *
ты уже написал о трех грубых нарушениях ПДД. .
- про меня :D
+79246909191 Антон.
http://gt-club.maglan.net/
Перейти в начало страницы
 
+
ertyui
сообщение 18.3.2009, 12:41
Сообщение #25


Группа: Активный участник
Сообщений: 724
Спасибо: 274

Авто: Terrano / VG30E



Пока нет. Просто договорился с автоэлектриком, сегодня вечером он приедет в гараж, я закрою дверь и не выпущу его до тех пор пока не починит smile.gif , а то вою уже без машины. Как починит отпишусь.


--------------------
"Всё фигня, кроме пчёл"... А если разобраться, то и пчёлы тоже фигня.
Перейти в начало страницы
 
+

2 страниц V   1 2 >
Быстрый ответОтветить в данную темуНачать новую тему
1 чел. читают эту тему (гостей: 1, скрытых пользователей: 0)
Пользователей: 0

 



RSS Текстовая версия Сейчас: 19.2.2026, 20:08