Вообщем ситуация такая: не включаются вентиляторы охлаждения радиатора, если кинуть на прямую с аккумулятора то работают, если в наглую замкнуть реле управление не срабатывают, получается не цнпи от вентиляторов к блоку предохранителей, может еще чего, не силен в электрике. Нужен срочно до НГ, так нужна машина на НГ, помогите пжлст.
dissector
28.12.2013, 0:22
сними фишку с концевика вентилятора, если заработал-то концевик меняй(от однопроводной, находится в малом кругу.)
если не заработал-проводка.(мало вероятно, если не лазил и нет изоленты)
Руслан пробовали не работает.
dissector
28.12.2013, 0:32
Цитата(max93 @ 27.12.2013, 23:29)

Руслан пробовали не работает.
проверь фишка одета до конца? а то было дело.
а так проводку меняй, всего один провод то.
Руслан, я не разбираюсь в проводке вообще, когда последний раз лазил в проводку на машине, то замкнул все, а всего лишь хотель прикуриватель сделать. Поэтому прошу помощи не за бесплатно конечно.
я пару раз слышал, что он срабатывает, но температура на датчике показывала половину, но на самом деле походу была выше, вот отсюда думаю, а не датчик ли это температурный мозга парит, может не работает? или вообще не в том направлении думаю???
dissector
28.12.2013, 0:46
Цитата(max93 @ 27.12.2013, 23:45)

Руслан, я не разбираюсь в проводке вообще, когда последний раз лазил в проводку на машине, то замкнул все, а всего лишь хотель прикуриватель сделать. Поэтому прошу помощи не за бесплатно конечно.
я пару раз слышал, что он срабатывает, но температура на датчике показывала половину, но на самом деле походу была выше, вот отсюда думаю, а не датчик ли это температурный мозга парит, может не работает? или вообще не в том направлении думаю???
едь в таксопарк-гараж автоэлектрик.
Возможен пробой участка повреждённой изоляции на массу после описанного тобой КЗ. Для начала поверь на пробой и убери подальше от массы провода , имеющие отношение к питанию вентилятора.
Доктор Франкенштейн
28.12.2013, 0:50
max93, попробуй к мегавольту...Если у него только "окно" есть...Услуги братишки востребованы...

Только не звони рано, звони после 13-ти, пусть высится хоть...Номер у него - МТС восемь пять 0 22 ноль два...Александр...
позвони мне после обеда . посмотрим машинку твою
К мегавольту вчера подъезжал, у него машина стояла на прогреве, но гараж не открыл, хотя я стучал не тихо.
наСолдатенко в гаражах работает автоэлектрик Костя тел. 8924691один8пять1. Неисправность определяет практически с лету
Доктор Франкенштейн
28.12.2013, 11:26
max93, стучать там можно хоть до посинения...говорю же,
звонить надо...

Когда кто-то есть в гараже, калитка всегда открыта...Машинка у гаража - не показатель присутствия рядом хозяина, за ним, бывает, приезжают и везут к "больному"...а заводится она у братишки сигналкой сама...
Доктор Франкеншт..., Андрей позвонил Александру, раньше понедельника не сможет посмотреть, занять тоже.
Доктор Франкенштейн
28.12.2013, 14:29
max93, тут уж я ничем больше, к сожалению...Когда-то давно сам делал на своих авто, потом отошёл...И не было необходимости (всё работало. как надо), и брат занялся темой всерьёз (понятно дело, что у меня теперь проблем с авто нет вообще, а уж с автоэлектрикой и вовсе

)...
Мне тут вообще повезло в жизни, у меня есть БРАТ!..
Тестером надо звонить. Искать - где потерялся "+" или "масса". От питания, реле, датчика t*... и дальше, по цепочке. У меня-то тестер (мультиметр) есть, но я щаз тоже, на своей второй машине прозваниваю - где-то нет контакта. на габаритку
Доктор Франкенштейн
28.12.2013, 14:54
Цитата(max93 @ 27.12.2013, 23:19)

...если кинуть на прямую с аккумулятора то работают...
А не думал над вариантом, пока что, временно, кинуть напрямую?..Т.е. минуя термодатчик?..
Конечно, не совсем напрямую, кнопку/тумблер/клавишу в салон, можно и реле в схему (если кнопка по току не вывозит) и, я бы поставил, предохранитель...
Термостат же работает...он и будет пока, временно, регулировать терморежим...
Доктор Франкеншт... сегодня еще с vanetz встретимся, если не получиться сделать, то буду на прямую кидать и ставить предохранитель, так как без машины не могу на НГ остаться, работать надо.
Вообщем вентиляторы включаются, но срабатывают сразу оба, это нормально?
max93, вряд ли... скорее всего второй вентилятор должен включаться либо при включении кондишки, либо отдельным термовыключателем, если первый не справляется... (т.е. этот термовыключатель включается при бОльшей температуре, чем для первого вентилятора, а располагаться может и в том же месте, где и первый.)
...я думаю, достать электросхему на машину не бог весть какая проблема.
Гидр был у 2 электриков у них схемы только на калдосов до 97 (включительно), на 98 год нет. Поэтому и спрашиваю тут может кто еще советом поможет. кондей не работает, не заправлен.
И вот на 20-м сообщении темы наконец-то выяснилось, что это за машина.
Гидр так никто не спрашивал, а сам забыл написть, калдина 98г, 215 кузов, двиг. 3S-FE
Цитата(max93 @ 8.1.2014, 12:35)

Гидр был у 2 электриков у них схемы только на калдосов до 97 (включительно), на 98 год нет.
есть в эл. виде книжка Toyota Caldina c 1997-2002
Торонага я на следующей неделе буду на Соколе, могу с флешкой заехать. Наверно сюда залить сложно будет.
max93, посмотрим как вести себя будешь

75 Мб конечно не залить, убьют нафиг
rusinchic
8.1.2014, 17:35
max93, думаю,это не так уж и плохо,когда включаются оба2.многие параллелят работу вент-ов.
rusinchic, на некоторых машинах они оба работают совместно прям с заводского конвейера, в стоке. Макс об этом и спрашивает должно так быть или нет.
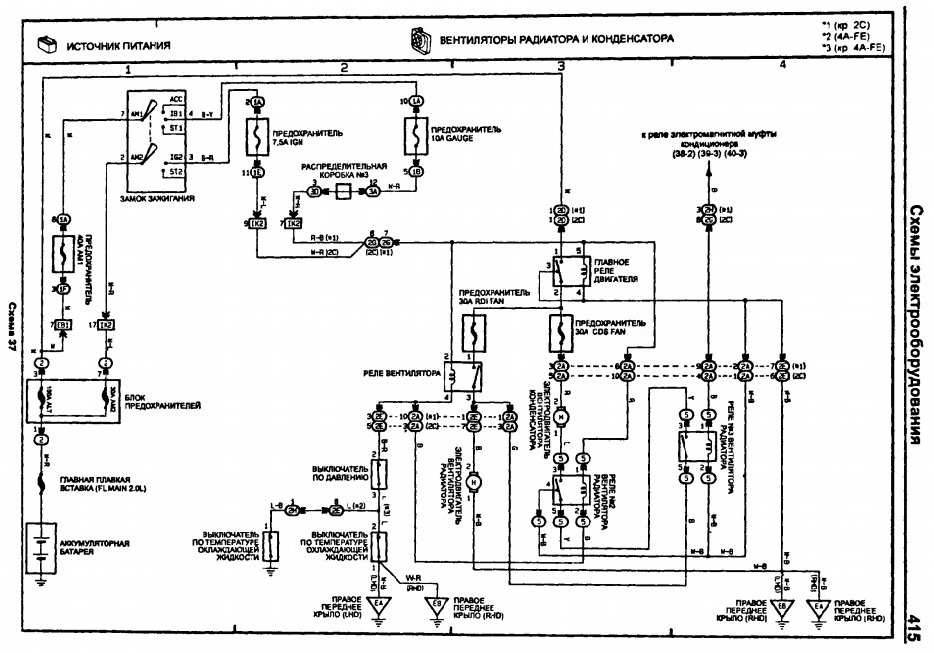
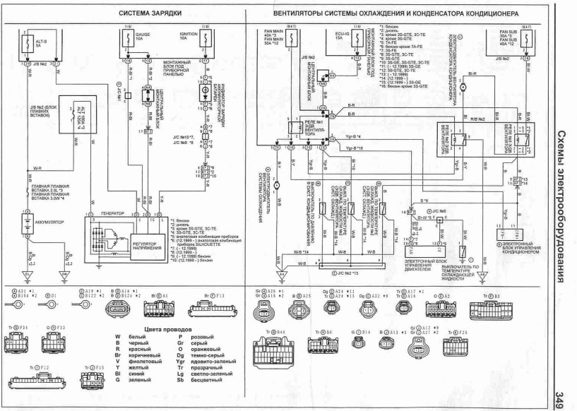
держи схему вентилей, она одна на все модели (и сомневаюсь, что отличается от предыдущего кузова).
Нажмите для просмотра прикрепленного файлакомплектация у тебя с дисплеем, в смысле, текущая температура хоть как-то цифрами высвечивается?
rusinchic
8.1.2014, 17:57
да,учитель-сан,я знаю,у меня на степане так.
и у меня на Проге оба работают сразу, ими управляет система климат-контроля.
а здесь, судя по схеме питальники различаются. Но!!! Макс не знает что делали предыдущие хозяева, а мы кроме того не знаем что сделали в этот раз (тема начиналась с того, что вентили не работали).
вот с предыдущего кузова, найдите семь отличий

Поэтому отмазка мастеровых насчет отсутствия книги сомнительна.
Нажмите для просмотра прикрепленного файлаВообще, насколько я в теме, у всей линейки ККК разница между 19х и 21х кузовами на 97% только косметическая (салон, кузов, оптика), все остальное преимущественно совпадает.
я ваще для Принцессы пользуюсь мануалом с Премио 98-го года (который до меня успешно юзался в качестве ремонтного пособия к ... какой-то Королле
) Все это большие условности и натяжки
С электрикой я ничего не делал, все кто смотрел машину сказали, что все работает, что я зря панику навел. Промыв систему и проездив в такси часа 3, я услышал как включились вентиляторы, сразу побежал дергать капот, смотрю а работают оба сразу, стрелка датчика была на середине, потрогав верхний патрубок, температура была не сильно высокая, значит точно не кипел, а включились при температуре срабатывания, отсюда сделал вывод, что все работает как нужно, просто думал, что должен один срабатывать, а не оба сразу. Сейчас стоит новая крышка радиатора + промыта вся система, антифриз гоняется то в раширитель, то в радиатор, то все по идее работает отлично.
max93, ну, схему я тебе дал, разбирайся
она
Т_996_ТМ_49_RUS
8.1.2014, 23:37
Ну ты паникер млин! Уже который день заглядываю в твою тему, думаю: ну чё у него там, как лечится?
У тебя темпер не поднимался как я понял?
Паника бывает хорошая штука, но в меру, просто купив машину хочется сразу устранить косяки, так как мотаюсь часто в аэропорт, не хочется где-нибудь по дороге зажарить мотор. Темпер по датчику не поднимается выше середины.
И вот на 30-м сообщении темы наконец-то выяснилось, что электрики, смотревшие машину, не совсем идиоты.
А мы тут схемы побежали искать... мда.
Гидр а в каком месте я электриков назвал идиотами, они смотрели схему и рассказывали мне куда копать дальше, машину они не смотрели так как были заняты, не надо писать того, что я не писал. Машину смотрели только люди с форума.
Торонага
12.1.2014, 23:48
max93, он говорит за то, что инфу неплохо бы озвучивать в полном объеме и своевременно.
max93, в каком месте я написал, что ты назвал электриков идиотами?
Ты написал - "был у 2 электриков у них схемы только на калдосов до 97 (включительно), на 98 год нет. Поэтому и спрашиваю тут может кто еще советом поможет." Что из этого можно заключить? Что разбираться они не стали, мотивировав отсутствием схемы. Позже ты приходишь и говоришь, "С электрикой я ничего не делал, все кто смотрел машину сказали, что все работает, что я зря панику навел." Мне одному кажется, что в первый раз ты слегка недоговорил? Ты приехал к электрикам, они посмотрели, сказали что всё работает, после этого ты пришёл на форум и говоришь "У меня не работают вентиляторы, что мне делать". После этого ты пишешь " машину они не смотрели так как были заняты".
Так электрики были? Или нет? А вентиляторы, может их тоже не было? Какой помощи ты ждёшь при такой постановке вопроса?
Электрики не стали браться делать до НГ, так как своей работы было много. Поехал к людям с форума, оба человека сказали, что все работает. Тема создавалась еще перед тем, как я поехал к электрикам, ладно не буду спорить, может я реально не все сказал сразу, уж извините не всегда можно вспомнить сразу все и указать всю информацию, я умею признавать свои ошибки.
Про схемы: схемы они смотрели, чтобы найти где стоят датчики, до 98 г. их стояло три, после 98 (включительно) их два, думаю так понятнее будет.
max93, за книжкой заедь все равно, пригодится еще не раз.
бумажная, безуслово, лучше, но что есть, то есть.
mihanicus
13.1.2014, 3:03
Max 93, оба вентилятора у тебя обязаны включаться (как мне кажется) потому, что твой радиатор очень широкий и одного (вентилятора) было бы мало для охлаждения двигла.
Тут другая история: На холодную заводится отлично, а на горячую ЖУЙ!! Вот это интересно
mihanicus, проверяй инжекторы
Если они не держат топливо и льют в закрытом состоянии, то будет проблема с заводкой на горячую
ALEX_49rus
13.1.2014, 9:28
Цитата(mihanicus @ 13.1.2014, 2:03)

Max 93, оба вентилятора у тебя обязаны включаться (как мне кажется) потому, что твой радиатор очень широкий и одного (вентилятора) было бы мало для охлаждения двигла.
Не факт, могут по разному включаться все зависит от машины. К примеру вариант где 1 основной, а 2 включается либо когда 1 не справляется, либо когда включен кондишен.
Цитата(mihanicus @ 13.1.2014, 2:03)

Тут другая история: На холодную заводится отлично, а на горячую ЖУЙ!! Вот это интересно

было бы мало для охлаждения двигла.
А по расходу? Как вариант когда датчик отвечающий за прогрев дает неверные показания комп думает, что двиг. холодный и переливает - это в случае бензинки, может еще переодически глохнуть.
P.S. Вентиляторы очень легко проверить. Снимаем фишку с датчика включения, если вентиляторы включились то проблема в датчике. Если нет то проблема в силовой цепи вентиляторов. А если они постоянно крутят проблема в обрыве проводки к датчику.
ALEX_49rus фишку сдернул они оба включились. сейчас их стало слышно как они включаются.
ALEX_49rus
13.1.2014, 15:56
Только забыл сказать что этот способ проверки только для японских авто т.к. у них датчик работает на размыкание в отличии от отечественных где на замыкание.
Стоило на улице потеплеть и вот оно ВСЕ РАБОТАЕТ на 5+, винты включаются, температура по датчику нормальная. Кстати, предыдущий хозяин отдал книгу по машине, так что Андрей (Торонага) спасибо за электронный вариант, теперь у меня в двух будет.