В этой статье я поделюсь своими знаниями о светодиодах. Статья предназначена для людей, которые мало просвещены в данном вопросе и забыли школьный курс физики. Здесь нет рекомендаций или примеров по тюнингу автомобиля. Основная задача - показать, что работа со светодиодами доступна каждому.
Введение.
Светодиод - далее - "СИД" (светоизлучающий диод), представляет собой полупроводниковый прибор, который при определенных условиях начинает светиться. Никакой связи с дедушкиной лампой накаливания он не имеет, в нем нет нити накаливания, нет вакуумной колбы. СИД устроен так: два прижатых друг к другу кристалла с определенными добавками, к ним приделаны две контактные ножки и все это залито оргстеклом. При подаче напряжения на ножки, частицы из двух кристаллов устремляются друг к другу и при соударении выделяют фотоны, т.е. выделяют свет. У современных ярких СИД место вокруг кристалла покрывают люминесцентным веществом, которое тоже добавляет яркости. СИД, прежде всего, является диодом (главное свойство диода - пропускать ток только в одном направлении), поэтому зажигается он только при правильном подключении полярности. При ошибке СИД просто не включится и на его здоровье это не отразится. Чтобы не перепутать полярность, необходимо знать, что ножки у него разной длины. Это сделано специально - самая длинная ножка является плюсом. Если вы вдруг обрезали ножки, то если внимательно вглядеться внутрь конструкции, можно увидеть, что на одной ножке сделано подобие кроватки для кристалла, а от второй ножки к кристаллу подходит лишь тончайший проводок. Так вот, ножка с кроваткой является минусом. Еще один признак полярности - у минусовой ножки немного спилена юбочка.
Нажмите для просмотра прикрепленного файла
СИД почти во всех случаях выгодно заменяет лампы накаливания. Основные плюсы - ничтожное потребление тока, более 60.000 часов гарантированной работы, не выделяет тепла, нечувствителен к вибрации, выдерживает небольшие механические повреждения, отсутствует излучение в инфракрасном и ультрафиолетовом спектре (за исключением специальных). Мой личный опыт: 4 года круглосуточно освещает светодиодик мой коридор, для ночного путешествия в туалет, за это время уменьшения яркости замечено не было.
Выбор светодиодов.
По моему скромному мнению, десятая часть СИД, что ввозятся в Россию, являются условно бракованными. Возможно, они не прошли их буржуйское ОТК, поэтому были куплены по бросовым ценам, которые значительно вырастают, когда достигают нас - конечных потребителей. Обидно то, что при последовательном включении в цепь бракованного и нормального СИД - сгорает нормальный, потому что через него идет повышенный ток, не погашенный бракованным СИД. Исходя из этого, рекомендую покупать количество СИД на 30% больше, чем вам нужно для конкретной работы. Выбор СИД громаден. Я предпочитаю СИД в стандартном корпусе, который потом спиливаю для получения рассеянного излучения. Яркость СИД является давней темой споров специализирующихся на этой теме людей. Заявленная производителем яркость меряется прибором, на который лучом светит СИД, но умалчивается о боковой силе света. С помощью линзы свет СИД фокусируется лучом 30-60 градусов, поэтому при спиливании линзы интенсивность свечения сильно падает. Так что не стоит верить цифрам. Купите по одному светодиоду из понравившихся и экспериментируйте с ними. Если вам удалось найти яркие СИД с рассеянным светом, то предпочтение следует отдать им. Я покупаю белые СИД о которых производитель сообщает, что они обладают яркостью в 15 кандел и рассчитаны на ток 20mA (миллиампер). Стоимость - 40 руб., но продавец охотно скидывает цену до 30, если берешь не меньше 30 шт. Где яркость не так важна, я беру СИД по 10 кандел, цена их в два раза меньше. Зачастую качество китайских СИД превышает "японские". Иногда продавцы понятия не имеют о свойствах СИД и мне известны уже два случая, когда продавец проверял СИД напрямую батарейкой и покупатель уже дома узнавал, что они были испорчены в момент проверки. Часто в одной партии встречаются СИД с разными оттенками света, поэтому стоит заранее их отсортировать.
Об измерительных приборах.
Работу с СИД без измерительных приборов можно сравнить с работой слепого окулиста. Поэтому, если у вас нет прибора, необходимо приобрести цифровой "Мультиметр" - прибор, название которого говорит само за себя. В нем скомпонованы все нужные нам измерительные приборы. Покупка быстро себя окупит, если правильно с ней обращаться. Можно купить самый дешевый цифровой мультиметр, необходимо лишь одно условие - у него должна быть возможность прозванивать полупроводники. Эта функция обозначается специальным значком в виде диода на шкале режимов прибора:
Нажмите для просмотра прикрепленного файла
Проверка светодиодов.
После покупки необходимо проверить СИД на работоспособность. Включаем на мультиметре режим прозвонки полупроводников, касаемся щупами прибора ножек светодиода соблюдая полярность (на приборе плюсовой кабель делают красным). Вглядываясь в линзу СИД, можно увидеть слабое, еле заметное глазу свечение. При отсутствии свечения я считаю, что СИД является условно бракованным и не может быть включен последовательно с другими СИД, так как не будет светиться в последовательной цепи и может спалить здоровые СИД. Как правило, такие СИД светятся только при подключении к нему своего резистора и подачи номинального тока. Эти условно бракованные светодиоды я долго копил (на рынке назад не принимают), потом выбросил. Такая проверка подходит только для стандартных СИД с током до 20mA, т.к. более мощным СИД необходим больший ток для открытия.
Нажмите для просмотра прикрепленного файла
Обработка светодиодов.
Если вам удалось достать СИД с рассеянным светом, то вам повезло и эту часть можно пропустить. Для увеличения угла рассеивания, я спиливаю часть корпуса СИД и выпиливаю новую линзу, поближе к кристаллу. Таким образом достигается почти 100 градусов рассеивания. Идеальный инструмент для этого - дисковый наждак, а при его отсутствии - напильник. У СИД немного спиливаю боковую юбочку и зажимаю его в маленькие тиски, после чего спиливаю напильником. Даже при небольшом усилии тисков корпус СИД может лопнуть. Я спиливаю примерно до 2 мм до кристалла. Далее шкурим линзу крупной шкуркой, потом нулевкой. В завершение процесса шлифуем линзу, усиленно растирая ее об кусок войлока.
Три варианта подключения.
Последовательное подключение
Нажмите для просмотра прикрепленного файла
На рисунке Q1 и Q2 - светодиоды, R - резистор. Этот вариант имеет самый высокий КПД. Я предпочитаю такой вид подключения, т.к. при нем достаточно одного резистора на два-три СИД (меньше инсталляционной работы по пайке). Минусы такого варианта: при сгорании какого-либо СИД, сгорают и все остальные.
Параллельное подключение
Нажмите для просмотра прикрепленного файла
На рисунке Q1 и Q2 - светодиоды, R1 и R2 - резисторы. При таком подключении на каждый СИД приходится паять свое сопротивление. Это самый надежный и безопасный вариант, но требует больше инсталляционной работы и больше резисторов.
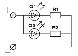
Неправильное подключение
Нажмите для просмотра прикрепленного файла
Такая схема недопустима! Два светодиода параллельно включены через один резистор. При таком подключении даже при минимальном разбросе характеристик СИД (а он есть всегда), через них проходит разный ток. Как правило, можно даже увидеть разную яркость свечения. Поэтому для регулирования яркости световых устройств используют не переменное сопротивление (которое регулирует ток), а сложную схему, которая регулирует напряжение.
Расчет цепи.
СИД - полупроводниковый прибор, поэтому банальный расчет как для лампы накаливания здесь не подходит. СИД имеет такую характеристику как "Падение Напряжения", ее можно узнать у продавца, если только продавец не слышит такие слова в первый раз в своей жизни. Это значение можно примерно приравнять к двум - трем вольтам. В расчетах цепей с СИД самый главный параметр - сила тока, она не должна превышать номинального тока СИД. Для ограничения тока служит резистор (сопротивление). При правильном подборе сопротивления, СИД можно подключать к любому напряжению.
Примерную величину сопротивления можно рассчитать по формуле, взяв за основу закон Ома.
R(Ом)=(Uакку - Uпад) / I
Где:
R - искомое сопротивление в Омах.
Uакку - напряжение на аккумуляторе в Вольтах. (всегда берем максимум - 14.4 вольта)
Uпад - падение напряжение на СИД в Вольтах. (если СИД включены последовательно, значит сумма падений на всех СИД).
I - номинальный ток СИД в Амперах
Произведем примерный расчет для одного моего светодиода, рассчитанного на 20mA (миллиампер) = 0.02A (ампера), с падением напряжения 3 вольта:
R = (14.4 - 3) / 0.02 = 570 Ом
Произведем примерный расчет для двух таких же светодиодов, подключенных последовательно:
R = (14.4 - (3+3)) / 0.02 = 420 Ом
Произведем примерный расчет для трех таких же светодиодов, подключенных последовательно:
R = (14.4 - (3+3+3)) / 0.02 = 270 Ом
Считаю, что заявленный производителем ток для моих светодиодов 20mA необходимо уменьшить до 15-18mA, потому что все светодиоды имеют разбросы по характеристикам, и для некоторых из них такой ток будет являться критическим, поэтому при перерасчете сопротивление будет немного большим.
Напоминаю, что эти расчеты были сделаны для МОИХ светодиодов, сейчас полно СИД, на которых падает 1.7 - 7 Вольт.
При покупке резисторов покупаются ближайшие по значению. Для таких малоточных СИД подойдут самые маломощные резисторы. Я покупаю мощностью 0.125 Ватт, отчасти из-за того, что у них удобные по жесткости ножки. Если вам нужна точность, то вот общепринятая формула расчета мощности резистора:
P(ватт) = Uакку * (Uакку / R)
Где:
P(ватт) - искомая мощность в Ваттах.
Uакку - напряжение на аккумуляторе в вольтах. (всегда берем максимум - 14.4 вольта).
R - сопротивление резистора в Омах.
Проверка тока в цепи с помощью мультиметра.
В этом процессе необходима предельная аккуратность, т.к. при неправильном подключении можно попалить прибор, светодиоды и блок питания. На данном этапе мы будем использовать "Амперметр". В стандартных мультиметрах, как правило, амперметр разбит на две части: для сильного тока и слабого тока. Соответственно, щуп втыкается в отдельные гнезда на приборе. Необходимо воткнуть в слаботочное гнездо и выставить режим слаботочного амперметра, т.к. показания на нем более точные. Амперметр включается в разрыв цепи, то есть последовательно. При включении амперметра параллельно источнику питания сгорает прибор и источник питания, т.к. амперметр представляет собой короткое замыкание. Необходимо быть предельно внимательным при измерениях: даже если вы чуть-чуть промахнетесь прибором мимо какой-либо ножки и закоротите на другую ножку, то в цепи ток станет большим, в приборе мгновенно сгорит предохранитель, в китайских приборах после этого показания начинают врать. На рисунке изображены светодиод "Q", резистор "R" и показано включение в цепь амперметра "А" и, если потребуется, вольтметра "V".
Нажмите для просмотра прикрепленного файла
Пайка.
Для пайки необходим паяльник с принадлежностями. Обычно, в тех местах, где продают СИД, можно приобрести и паяльник. Лучше всего подойдет маломощный с тонким жалом, не более 60 Ватт. Оптимальным считаю 40-ваттный паяльник. Не покупайте толстый прут припоя и кусок канифоли - это прошлый век. Необходимо приобрести припой, который делают тонким как проволока, намотанным на маленькую катушку. Этот припой уже содержит внутри себя флюс (намного лучше, чем канифоль).
Ножки СИД имеют квадратное сечение, как правило 3-х локальных сгибаний достаточно, чтобы она отломилась. Не рекомендуется гнуть ножки около самого корпуса, необходимо сгибать после специальных утолщений на ножке. Перед пайкой надо дождаться полного разогрева паяльника, капелька олова должна растекаться по рабочей поверхности жала. Если этого не происходит, необходимо зачистить жало и снова плавить им олово с флюсом, пока не облудится рабочая поверхность. Перед пайкой элементы необходимо зачистить до блеска металла и облудить их ножки. В момент пайки можно одновременно к спаиваемым ножкам поднести припой или заранее расплавить припой на жале, но здесь нужна быстрота, т.к. флюс испаряется очень быстро. Рекомендую хорошо прогревать место пайки, чтобы прогрелись все спаиваемые элементы. Пайка без флюса невозможна и только портит нервы. Функции флюса - покрывать поверхность и не давать ей мгновенно окисляться. При правильно поставленном процессе олово мгновенно окутывает место пайки и, остыв, остается красивым и блестящим. Если пайка имеет серый цвет и неравномерную поверхность, значит у вас плохое олово, плохой флюс или перегретый паяльник. Для бытовых целей нет смысла покупать дорогостоящий паяльник с автоматическим поддержанием температуры, поэтому, во избежание перегрева паяльника, включайте его, например, через удлинитель "пилот", в котором есть кнопка выключения, оперируя которой можно поддерживать оптимальную температуру жала. В вашей работе очень помогут маленькие тисочки, ведь у человека всего две руки, а надо держать паяльник, два спаиваемых элемента и пруток припоя.
Фиксация светодиодов.
После пайки и установки конструкций на основе СИД, необходимо их зафиксировать и защитить от влаги (если требуется). При отсутствии фиксации, если проводники оставлены длинными, то от сильной вибрации они могут переломиться. Влага губительно действует на ножки элементов и места паек. Я использую два типа материалов. Поксипол (эпоксидная смола) стоит примерно 200р и всегда пригодится в домашнем хозяйстве. Продается в виде двух маленьких тюбиков, удобен в применении. Смешиваю пару капелек и наношу на нужные места с помощью зубочистки. Термоклей - это полимер, который принимает жидкое состояние при нагревании. Продается в виде цилиндрических палочек, которые заправляются в специальный электрический термопистолет. На рисунке изображены используемые мною расходные материалы.
Нажмите для просмотра прикрепленного файла
Взято отсюда: http://www.cefiro.ru/
