Хостинг и техническая поддержка -- компания Маглан
автоклуб M49

Здравствуйте, гость ( Вход | Регистрация )

Поделитесь опытом установкой нештатного АС в Прадо 95 кузов, Поделитесь опытом нештатного АС в Прадо 95 кузов
Turich
сообщение 17.4.2009, 23:57
Сообщение #1


Группа: Участник
Сообщений: 68
Спасибо: 10

Авто: -



вот что интересует:

- Сколько дюймов у штатных мидбасов, поддерживает ли еще больше дюймов.

- Опыт от установки подиумов.... под мидбасы возможно и на твитеры..

- По поводу заводской шумоизаляции какова в реальности 

и тд.

В общем буду благодарен любой информации



Перейти в начало страницы
 
+
 
Начать новую тему
Ответов
dissector
сообщение 24.4.2009, 20:37
Сообщение #2


Группа: Активный участник
Сообщений: 34720
Спасибо: 20415




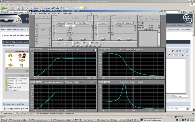
щас , смоделировал на спикершопе JBL-8"- Нормальный бас!!! 8gti-e
скрин прилагается

Сообщение отредактировал dissector - 24.4.2009, 20:39
Эскизы прикрепленных изображений
Прикрепленное изображение
 


--------------------
наружная реклама, световые буквы, подсветка зданий
р.м. Линия, с 1992 года наша работа
тел. 89148V83356

мир не такой как кажется, старший сержант? (с)
Перейти в начало страницы
 
+

Сообщений в этой теме
- Turich   Поделитесь опытом установкой нештатного АС в Прадо 95 кузов   17.4.2009, 23:57
- - Ex_Prepod   хотел создать отдельный топик, но впрочем... штатн...   18.4.2009, 0:46
- - Turich   Насчет шумаизаляции интересуюсь на будущее (надеюс...   18.4.2009, 1:10
- - ltybc   Цитата(Turich @ 18.4.2009, 0:10) Насчет ш...   18.4.2009, 17:53
- - dissector   У прадоса -6,5 " , но очень глубокие проставк...   18.4.2009, 19:34
- - ltybc   Цитата(dissector @ 18.4.2009, 18:34) У пр...   18.4.2009, 21:35
- - dissector   ну , что спорим? я говорю-решетки-нехорошие.(штатн...   18.4.2009, 21:43
- - ltybc   Цитата(dissector @ 18.4.2009, 20:43) ну ,...   18.4.2009, 21:50
- - dissector   sprinter-carib 1991 years/ резать не надо .   18.4.2009, 22:13
- - ltybc   Цитата(dissector @ 18.4.2009, 21:13) spri...   18.4.2009, 22:19
- - Ex_Prepod   заоффтоплю:-) кик-панели это что? и где они находя...   18.4.2009, 23:50
- - dissector   там внизу у педалек. - кик панели.   19.4.2009, 0:00
- - Ex_Prepod   dissector, эммм, эт которые снизу прикрывают мотор...   19.4.2009, 0:14
- - dissector   с точки зрения локализации источника-звук должен б...   19.4.2009, 0:18
- - Ex_Prepod   ну я не настока богат, чтоб сч пихать:-) лучше съе...   19.4.2009, 0:24
- - Turich   Цитата(dissector @ 18.4.2009, 21:43) ну ,...   19.4.2009, 3:08
- - dissector   а если опыта небылобы ,зачем бы спорить.. 8...   19.4.2009, 10:11
- - Ex_Prepod   штатные грили чаще всего акустически не прозрачны ...   19.4.2009, 11:36
- - ltybc   Цитата(Ex_Prepod @ 19.4.2009, 10:36) штат...   19.4.2009, 12:02
- - Turich   Цитата(ltybc @ 18.4.2009, 17:53) Спереди ...   19.4.2009, 13:04
- - ltybc   Высота динамика не должна быть очень большой.(на с...   19.4.2009, 13:08
- - Turich   Установка мидбаса и твитеров получилась достаточно...   19.4.2009, 13:17
- - ltybc   Цитата(Turich @ 19.4.2009, 12:17) Я так п...   19.4.2009, 13:24
- - Turich   Toyota Land Cruiser PradoТИП СИСТЕМЫ аудио СОСТАВ...   19.4.2009, 13:36
- - dissector   Цитата(ltybc @ 19.4.2009, 11:02) Народ, п...   19.4.2009, 19:33
- - Ex_Prepod   Цитата(Turich @ 19.4.2009, 12:17) Акустик...   19.4.2009, 23:12
- - dissector   в твоем варианте-усь ,под седло. твое или пассажир...   20.4.2009, 13:57
- - Turich   Еще вопросик возник. В 95 прадосе, тыльные колонки...   20.4.2009, 21:46
- - dissector   в 5 дверном - в задней двери, с 3 дверным не сталк...   20.4.2009, 22:01
- - Turich   Появился вариант взять акустику на югах... из гига...   20.4.2009, 22:36
- - dissector   art sound JAB 4*60 (4ома фронт,тыл отрубить или фр...   20.4.2009, 22:53
- - Turich   Цитата(dissector @ 20.4.2009, 22:53) art ...   20.4.2009, 23:15
- - Maledict   Цитата(Turich @ 20.4.2009, 22:36) Появилс...   21.4.2009, 0:05
- - Turich   А 3 ряд... мне такое не подходит....   21.4.2009, 9:41
- - dissector   Цитата(Turich @ 20.4.2009, 22:15) фронт +...   21.4.2009, 9:53
- - Maledict   Цитата(Turich @ 21.4.2009, 9:41) А 3 ряд....   21.4.2009, 9:59
- - HILANDER   в 3 дверном динамики сзади стоят в стенках возле к...   21.4.2009, 13:50
- - Maledict   Иии в чём проблема то ??? Динамиков то суммарно 4р...   21.4.2009, 19:44
- - Turich   Цитата(Maledict @ 21.4.2009, 19:44) Иии в...   21.4.2009, 20:32
- - Turich   этот усилок может работать поканально на 2 ома-4 о...   21.4.2009, 20:54
- - Maledict   Цитата(Turich @ 21.4.2009, 20:32) В прадо...   21.4.2009, 21:26
- - dissector   1- питание в усилке (откручиваешь заднюю крышку и ...   21.4.2009, 21:35
- - ltybc   В 2 Ом на канал обычно подключают сдвоенные мидбас...   21.4.2009, 21:44
- - dissector   про велас ..... чета мне тоже об этом говорит... к...   21.4.2009, 22:02
- - ltybc   Цитата(dissector @ 21.4.2009, 21:02) комп...   21.4.2009, 22:14
- - dissector   у ниссана - компонетнты - и сзаду и спереду. хотя ...   21.4.2009, 22:22
- - ltybc   Понял. По мне так тыл вообще излишество. Только дл...   21.4.2009, 22:23
- - dissector   такая -же куйня. лучше- суровый фронт, чем звездат...   21.4.2009, 22:38
- - Turich   Цитата(Maledict @ 21.4.2009, 21:26) ты хо...   21.4.2009, 23:24
- - Maledict   Цитата(Turich @ 21.4.2009, 23:24) это так...   21.4.2009, 23:35
- - Turich   dissector, че то я не пойму смысл этим заморачиват...   21.4.2009, 23:40
- - Turich   Цитата(ltybc @ 21.4.2009, 21:44) В 2 Ом н...   21.4.2009, 23:59
- - dissector   Цитата(Turich @ 21.4.2009, 22:40) dissect...   22.4.2009, 9:36
- - mey   у меня на фронт стоит четырехканальный усилитель 4...   22.4.2009, 14:15
- - dissector   я б добавил до 10000 мкф. Максимально близко к вых...   22.4.2009, 18:59
- - ltybc   Цитата(Turich @ 21.4.2009, 22:59) .. Опят...   22.4.2009, 22:01
- - Turich   Цитата(ltybc @ 22.4.2009, 22:01) Так ты н...   23.4.2009, 20:46
- - Turich   Цитата(dissector @ 22.4.2009, 9:36) при т...   23.4.2009, 21:06
- - Turich   А в магнитоле должен быть выход на усилок? Он во в...   23.4.2009, 21:19
- - dissector   Цитата(Turich @ 23.4.2009, 20:06) лучше э...   23.4.2009, 21:33
- - ToxicBlade   Цитата(Turich @ 17.4.2009, 22:57) вот что...   23.4.2009, 22:32
- - Pilulkin   не живайс ...кенвуд раскладушку всунули.....респек...   23.4.2009, 22:46
- - ToxicBlade   ну давно это было точно, значит не JVC , а раскри...   23.4.2009, 22:53
- - Ex_Prepod   ToxicBlade, у еос и ценник рульный:-) а что скажеш...   23.4.2009, 22:58
- - ToxicBlade   а подробнее?? не понял вопроса?   23.4.2009, 23:36
- - Ex_Prepod   ToxicBlade, голова pioneer dex p90rs и процессор p...   24.4.2009, 0:00
- - HILANDER   вот у меня стоит японский вроде даже очень неплохо...   24.4.2009, 0:33
- - Shiko   HILANDER, Да и мне требуется что-то подобное для...   24.4.2009, 0:45
- - Maledict   для начала зашумьте двери звук уже поменяется   24.4.2009, 1:49
- - Ex_Prepod   HILANDER, раз не тянет значит без усилителя не об...   24.4.2009, 2:38
- - dissector   и так- бюджет. 1. усиливатель -артсаунд 4*60 ~ 500...   24.4.2009, 9:23
- - HILANDER   а стелс саб это что? тоже склоняюсь к тому, что на...   24.4.2009, 10:10
- - dissector   стелс-саб ,ну встроенный в машину. невидимый. все ...   24.4.2009, 13:32
- - HILANDER   ясно, а могут быть в машине уже усилки? а то в Сур...   24.4.2009, 15:21
- - ltybc   Цитата(HILANDER @ 24.4.2009, 14:21) ясно,...   24.4.2009, 15:32
- - HILANDER   ltybc, значит это "одно название" миди...   24.4.2009, 16:03
- - Maledict   Цитата(HILANDER @ 24.4.2009, 10:10) тыл с...   24.4.2009, 16:28
- - ltybc   Цитата(HILANDER @ 24.4.2009, 15:03) ltybc...   24.4.2009, 20:27
- - dissector   щас , смоделировал на спикершопе JBL-8"- Норм...   24.4.2009, 20:37
- - dissector   " невидимая " ( stels/ стэлс) установка ...   25.4.2009, 15:28
- - Turich   Цитата(ToxicBlade @ 23.4.2009, 22:32) вот...   26.4.2009, 12:05
- - ltybc   Цитата(Turich @ 26.4.2009, 11:05) Скольки...   26.4.2009, 18:08
- - HILANDER   ltybc, а сколько стоят и какие есть в продаже бюд...   26.4.2009, 18:51
- - ltybc   Цитата(HILANDER @ 26.4.2009, 17:51) ltybc...   26.4.2009, 20:27
- - dissector   Цитата(ltybc @ 26.4.2009, 19:27) Отдельно...   26.4.2009, 21:48
- - HILANDER   так, я совсем запутался   26.4.2009, 22:12
- - dissector   компоненты- мид басовый динамик от 4 до 8" + ...   26.4.2009, 22:23
- - ltybc   Цитата(HILANDER @ 26.4.2009, 21:12) так, ...   26.4.2009, 22:39
- - HILANDER   высоких мне хватает, хочу добавить басов, и избави...   27.4.2009, 0:24
- - dissector   если усилок магнитолы или встроенный-то от хрипа н...   27.4.2009, 0:40
- - Ex_Prepod   Цитата(HILANDER @ 26.4.2009, 23:24) штатн...   27.4.2009, 0:45
- - HILANDER   Ex_Prepod, ну в дверь это как? у меня дверь одна ...   27.4.2009, 10:42
- - Ex_Prepod   [quote name='HILANDER' date='27.4.2009...   27.4.2009, 14:11
- - dissector   Цитата(HILANDER @ 27.4.2009, 9:42) dissec...   27.4.2009, 19:20
- - ltybc   Цитата(Ex_Prepod @ 26.4.2009, 23:45) дума...   27.4.2009, 20:06
- - HILANDER   dissector, прямо сейчас я конечно не возмусь колдо...   27.4.2009, 20:14
- - dissector   как надумаешь , звони - чип и дэйл. все надо просч...   27.4.2009, 20:45
- - ltybc   Цитата(HILANDER @ 27.4.2009, 19:14) ltybc...   28.4.2009, 20:28
- - Turich   Всем еще раз привет! Наконец мечта приходит к ...   23.5.2009, 22:44
- - HILANDER   Прадо вообще авто очень скрипучие по пластику, осо...   23.5.2009, 23:09
2 страниц V   1 2 >


Быстрый ответОтветить в данную темуНачать новую тему
5 чел. читают эту тему (гостей: 5, скрытых пользователей: 0)
Пользователей: 0

 



RSS Текстовая версия Сейчас: 14.12.2025, 21:24