Хостинг и техническая поддержка -- компания Маглан
автоклуб M49

Здравствуйте, гость ( Вход | Регистрация )

Своими руками (или дурь в залобье)
Andrey69
сообщение 24.11.2017, 12:27
Сообщение #1


Группа: Активный участник
Сообщений: 1813
Спасибо: 2486




Решил попробовать сваять усилитель для автомобиля. Схему выбрал на микросхеме LM1875
Эскизы прикрепленных изображений
Прикрепленное изображение
 


--------------------
Ремонт радиостанций,усилителей,сабвуферов 89246918246
Спасибо! — Гидр
Перейти в начало страницы
 
+
 
Начать новую тему
Ответов
uvil
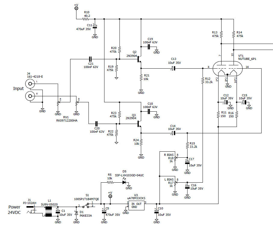
сообщение 19.4.2018, 14:45
Сообщение #2


Группа: Участник
Сообщений: 57
Спасибо: 20

Авто: Mazda Familia 1994 BHALP Z5



Andrey69,
Как такая схема?
Вот сциль на лампу ссылка доступна только зарегистрированным

Сообщение отредактировал uvil - 19.4.2018, 14:50
Эскизы прикрепленных изображений
Прикрепленное изображение
 
Перейти в начало страницы
 
+

Сообщений в этой теме
- Andrey69   Своими руками (или дурь в залобье)   24.11.2017, 12:27
- - rusinchic   Андрей, а не проще выбратьпо предпочтениям и купит...   25.11.2017, 10:12
- - Andrey69   Конечно проще. Имеется в итоге 1.Кривая разводка п...   25.11.2017, 18:18
- - Andrey69   Пока бдсм набирает обороты,ну вот к примеру плата ...   26.11.2017, 18:44
- - Andrey69   Выбрал плату. Вариант стерео. Автор мой знакомый п...   27.11.2017, 11:43
- - Andrey69   Ну что,начинаем арбайт над платой. Существует прог...   27.11.2017, 20:06
- - Filmor   гм... а я думаю. зачем у меня по столом старые жур...   27.11.2017, 21:59
- - Andrey69   Filmor, а и не подозревал,да? Только хардкор   27.11.2017, 22:12
- - ObiVan   Круто! Буду следить. Расскажите как будете пер...   27.11.2017, 22:23
- - MagON   Перенос - утюгом, травление чем угодно, хоть хлорн...   27.11.2017, 22:25
- - Andrey69   ObiVan, травить будем хлорным железом. Но это пото...   27.11.2017, 22:30
- - Filmor   Andrey69, канешна не подозревал... Я читал их... ч...   27.11.2017, 22:31
- - Andrey69   Filmor, жестко MagON, Антоха привет,чо все расс...   27.11.2017, 22:36
- - MagON   Andrey69, извиняйте, вырвалось   27.11.2017, 22:52
- - Filmor   MagON, да всё... ппц тебе.   27.11.2017, 23:25
- - dissector   Это гитара Малькома Янга из АС/ДС А что сделал ты?...   28.11.2017, 0:09
- - Filmor   dissector, ты стырил гитару Янга?   28.11.2017, 0:16
- - Гидр   Цитата(ObiVan @ 27.11.2017, 21:23) Круто...   28.11.2017, 1:51
- - Andrey69   ЦитатаЭто гитара Малькома Янга из АС/ДС А что сдел...   28.11.2017, 12:32
- - Voldemar   Цитата(Andrey69 @ 27.11.2017, 19:06) Ну ч...   28.11.2017, 13:23
- - Filmor   Voldemar, старовер какой-то…   28.11.2017, 13:29
- - Andrey69   Пойденный этап,Володя. Гетинакс то сейчас весь ста...   28.11.2017, 13:29
- - Voldemar   Цитата(Andrey69 @ 28.11.2017, 12:29) Пойд...   28.11.2017, 13:38
- - Andrey69   А чего шучу. Дорогие ламповые усилители собирают н...   28.11.2017, 13:44
- - Andrey69   В качестве небольшого отступления. Вотъ схема окон...   28.11.2017, 19:48
- - Andrey69   Вообще должно получиться что то типа такого вот. Н...   28.11.2017, 20:36
- - Andrey69   Ну что же-вырезаем платку по размерам из текстолит...   28.11.2017, 21:39
- - elmont33   Прикладывали рисунок печати на текстолит. Шылом на...   29.11.2017, 0:16
- - Andrey69   elmont33, именно так. Без сноровки сложно,это да Ц...   29.11.2017, 11:19
- - Andrey69   ЦитатаИногда у меня медь вспучивалась от температу...   29.11.2017, 20:15
- - Andrey69   Ну что же,как видим конденсаторы входные (обязател...   29.11.2017, 21:44
- - Jumanji   Andrey69, дядька, забери у другого дядьки мою муль...   30.11.2017, 11:02
- - Andrey69   Принял. Заберу. Мне нужна твоя мультиварка   30.11.2017, 11:58
- - Jumanji   Цитата(Andrey69 @ 30.11.2017, 11:58) Прин...   30.11.2017, 12:25
- - Юлия   Цитата(Andrey69 @ 30.11.2017, 10:58) Мне ...   30.11.2017, 12:28
- - Andrey69   Ну поехали травить. Кстати о конденсаторах. Обязат...   30.11.2017, 20:20
- - Ex_Prepod   А дальше   2.12.2017, 23:38
- - МАН49   Андрей, где в городе купить маркер для плат?   3.12.2017, 2:14
- - Ex_Prepod   Andrey69, если надо, то на глянцевой бумаге могу л...   3.12.2017, 9:26
- - Andrey69   ЦитатаА дальше Продолжение следует. Пока мозговой...   3.12.2017, 14:48
- - Andrey69   Пока суть да дело,намотаем дроссель по питанию. Ст...   4.12.2017, 20:30
- - Andrey69   Ну что же вот что получилось после травления. Бере...   5.12.2017, 19:38
- - Andrey69   Ну что же,сверлим это все дело,предварительно наме...   6.12.2017, 20:08
- - Andrey69   Поехали потихоньку. С входными конденсаторами угад...   7.12.2017, 20:17
- - Andrey69   Ну вот что то оформляется. Текстолит с одного края...   8.12.2017, 19:39
- - Andrey69   Конденсатоы не сразу удалось найти. Которые меня у...   14.12.2017, 20:09
- - Filmor   Andrey69, вот привереда   14.12.2017, 22:24
- - Andrey69   Filmor, ну мы то хорошо хотим сделать,если что пло...   14.12.2017, 22:35
- - Гидр   по части комплектующих и их качества. неделю пытаю...   14.12.2017, 23:01
- - Andrey69   Тем временем еще два канала поспели..   25.12.2017, 19:48
- - uvil   Для печати рисунка очень хорошо себя зарекомендова...   28.12.2017, 10:03
- - Andrey69   Да,верно. Ну и глянцевые журналы тоже пойдет   28.12.2017, 11:44
- - uvil   Andrey69 а травите чем? На хлорное железо не похож...   28.12.2017, 13:27
- - Andrey69   Хлорное железо   28.12.2017, 13:46
- - uvil   Может кому интересно будет,да простит меня Andrey6...   28.12.2017, 14:33
- - Andrey69   Цитатада простит меня Andrey69 Простит. Нормально ...   28.12.2017, 20:24
- - Andrey69   Процесс подбора и макетирования автомобильного бло...   23.1.2018, 19:16
- - mik   Господа а вы тут тока про электронику выкладываете...   23.1.2018, 21:28
- - Andrey69   Третий блок питания делаю...Сложности   14.3.2018, 19:36
- - dissector   Че там делать )))   15.3.2018, 13:44
- - uvil   Так это же ламповое решение   15.3.2018, 16:40
- - Andrey69   Да и ладно. А магнитолку с ламповым предом никто т...   15.3.2018, 19:37
- - dissector   Увидеть даже ладно... Главное не слушать )))   15.3.2018, 20:45
- - Andrey69   dissector, да не..главное не знать ее цены. Слушат...   15.3.2018, 20:49
- - uvil   А оконечник у него на чём? Мне ясно откуда появили...   16.3.2018, 10:53
- - Andrey69   Цитатаформируется анодное? преобразователем   16.3.2018, 11:02
- - uvil   типа как нынешний DC-DC UP ?   16.3.2018, 12:02
- - Andrey69   Не совсем понял про что речь,но сути не меняет,лад...   16.3.2018, 12:15
- - uvil   ААА там лампы на подсветку индикаторов)))   16.3.2018, 12:19
- - Andrey69   Нее..говорю маркетинг. Есть неплохие гибридные уси...   16.3.2018, 12:31
- - uvil   оконечник на тразисторах наверное все портит   16.3.2018, 13:55
- - Andrey69   Нет,там вполне нормально. Но-не мое   16.3.2018, 18:55
- - Andrey69   Пофлудить немного в своей теме. Ресивер Sony str-d...   7.4.2018, 18:38
- - dissector   сфотай чип ЦАПа ? )   8.4.2018, 1:16
- - Гидр   Andrey69, олдовая микруха стереоусилителя STK нужн...   8.4.2018, 1:25
- - Andrey69   Цитата(dissector @ 8.4.2018, 1:16) сфотай...   8.4.2018, 13:45
- - dissector   Akm4527 ... Неплохо ) Только цап развели, ацп нет,...   8.4.2018, 13:57
- - Andrey69   Да как обычно по масти,чего не знаешь что ли? Ц...   8.4.2018, 13:59
- - dissector   Все ждал пока скажешь )))) Цапцарапыч   8.4.2018, 14:10
- - Andrey69   Ну что,пока суть да дело,пока выйдем (а выйдем сто...   9.4.2018, 19:27
- - uvil   Andrey69 класс. А схемку мона подсмотреть?   9.4.2018, 20:10
- - Andrey69   Да конечно. Ничего сверх,но-требует качественных к...   9.4.2018, 20:19
- - uvil   А я застрял со сборкой поворотников. На али второй...   9.4.2018, 20:32
- - Andrey69   Чего в них такого? Другие можно поставить https://...   9.4.2018, 20:39
- - uvil   Нужны SMD. Заказал,осталось ждать,может к лету соб...   9.4.2018, 20:55
- - Andrey69   А..понял. С этими мандавошками сам иногда мучаюсь   9.4.2018, 21:08
- - Andrey69   RE: Своими руками (или дурь в залобье)   12.4.2018, 11:29
- - uvil   Сборка для себя?   12.4.2018, 11:44
- - Andrey69   Да,этот оставлю. Еще один один в Венгрию поедет,па...   12.4.2018, 12:08
- - uvil   На экспорт в Венгрию с Магадана,зачёт!   12.4.2018, 13:48
- - Andrey69   Спасибо. Главное чтобы не вышло это   12.4.2018, 18:59
- - uvil   НУ там как пойдёт)))   12.4.2018, 20:56
- - Andrey69   Парень с радиофорума сделал своими руками. Корпус ...   18.4.2018, 19:45
- - uvil   Зачёт. При наличии лазерного и фрезерного гравера ...   19.4.2018, 10:31
- - Andrey69   Да,это точно   19.4.2018, 13:11
- - uvil   Andrey69, Как такая схема? Вот сциль на лампу htt...   19.4.2018, 14:45
- - Andrey69   Дружище.не стоит это затраченного времени   19.4.2018, 19:59
- - uvil   И лампа за 56 гринов   19.4.2018, 20:11
- - Andrey69   Очень мягко дурняк. ,,,уета из под ногтей   19.4.2018, 20:43
- - Andrey69   Всвязи с семейными обстоятельствами-болезнью и сме...   25.5.2018, 12:08
3 страниц V   1 2 3 >


Быстрый ответОтветить в данную темуНачать новую тему
2 чел. читают эту тему (гостей: 2, скрытых пользователей: 0)
Пользователей: 0

 



RSS Текстовая версия Сейчас: 17.12.2025, 18:22